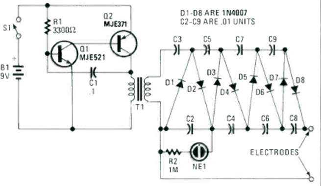
This electronic defense was found in the 1990 special issue of Radio Electronics Experimenter magazine. A few hundred volts is generated.
This circuit is from a Radio Electronics magazine from May 1989. The source must be symmetrical, and other...
The sophisticated signal tracker/follower with a JFET and integrated circuit 741 was found in a...
This circuit was found in Radio Electronics from the 90s. The transducer is a tweeter and the...