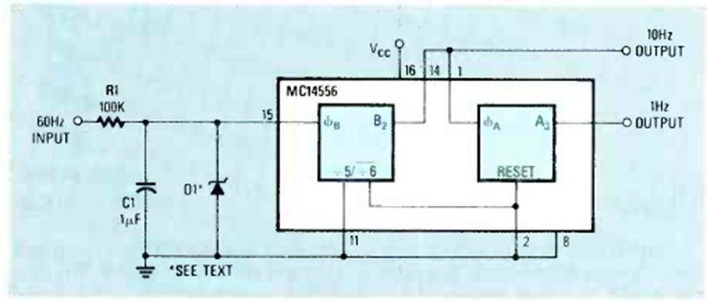
This time base circuit was found in the January 1988 issue of Radio Electronics magazine. The output signals are 1 Hz and 10 Hz TTL.
The circuit shown in the figure can serve as a basis for frequency meters, clocks. Stopwatches and many other...
This circuit is from an English book from the 1980s. Transistors can be general-purpose types of...
In this oscillator a phase shift network formed by C1, C2, C3 and R1, R3, R4 determine the fase...