Found in a Popular Electronics from the 1990s, this circuit monitors the voltage of a power supply or battery. The trigger voltage is adjusted with a potentiometer.
The circuit shown in the figure can serve as a basis for frequency meters, clocks. Stopwatches and many other...
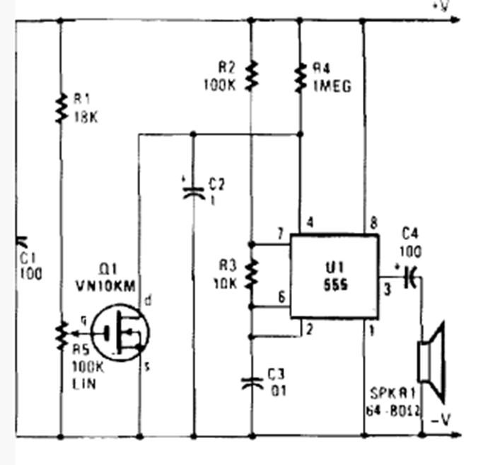
This circuit is from an English book from the 1980s. Transistors can be general-purpose types of...
In this oscillator a phase shift network formed by C1, C2, C3 and R1, R3, R4 determine the fase...