We found this video amplifier with integrated circuits of the time in the magazine Electronics Now of July 1998. The circuit is for analog signals.
We found this configuration in an old 1970s American documentation. The circuit may use equivalent...
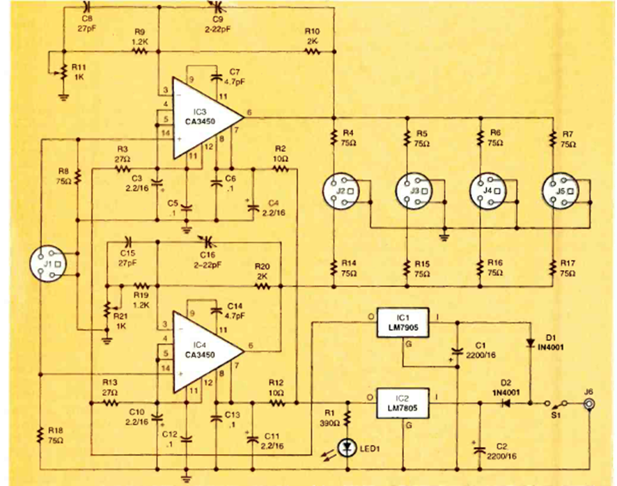
This circuit was obtained in a 90s Electronic Design. The circuit uses components from that time....
This circuit connected to the input of a good amplifier, with suitable coils can tune stations of medium...