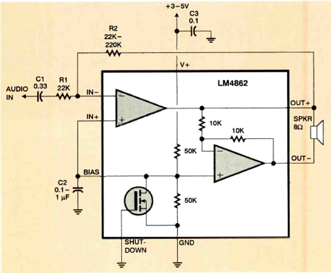
We found this small audio amplifier in the November 1999 issue of Electronics Now magazine. The integrated circuit used is not very common today.
This precision circuit was found in ancient American documentation. The most critical component is the...
The 4511 is a 7-segment latch driver providing up to 25 mA in each output. The typical application using the...
This circuit generates a high voltage of the order of 250 to 300 V from a 12 V battery to power a...