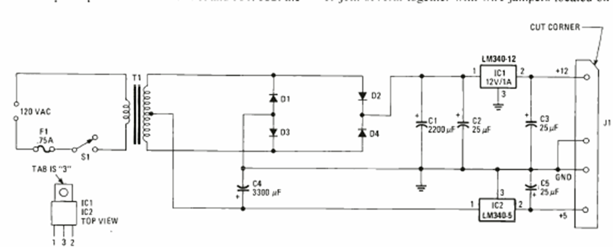
This power supply for those who want to feed and recover 5 ¼ floppy disks was found in the Electronics Experimenter magazine special edition of 1983.
This precision circuit was found in ancient American documentation. The most critical component is the...
The 4511 is a 7-segment latch driver providing up to 25 mA in each output. The typical application using the...
This circuit generates a high voltage of the order of 250 to 300 V from a 12 V battery to power a...