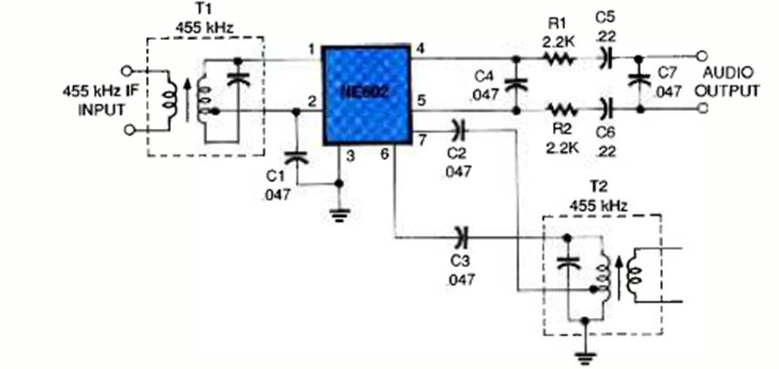
This circuit with the NE602 was found in the February 1997 Electronics Now magazine. The NE602 integrated circuit is not very common these days.
This precision circuit was found in ancient American documentation. The most critical component is the...
The 4511 is a 7-segment latch driver providing up to 25 mA in each output. The typical application using the...
This circuit generates a high voltage of the order of 250 to 300 V from a 12 V battery to power a...