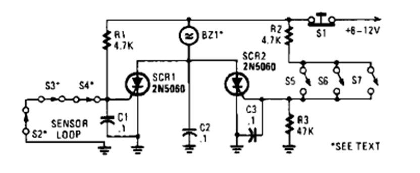
This alarm with sensors in series and parallel was found in the 1995 Encyclopedia of Electronic Circuits. The number of sensors can be changed at will.
This precision circuit was found in ancient American documentation. The most critical component is the...
The 4511 is a 7-segment latch driver providing up to 25 mA in each output. The typical application using the...
This circuit generates a high voltage of the order of 250 to 300 V from a 12 V battery to power a...