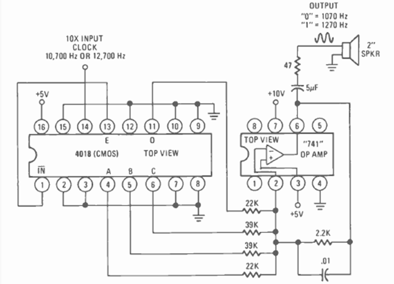
This CMOS generator with the 4018 IC was found in a November 1976 Radio Electronics magazine. It uses a 741 op-amp as the audio amplifier.
This oscillator can generate 2 to 10 MHz signals and was found in an American 1980s documentation. The...
This flasher was originally intended for Christmas tree lamps. The circuit is from 1974 and uses...
In the figure we have the way to add hysteresis to an operational amplifier. The relationship...