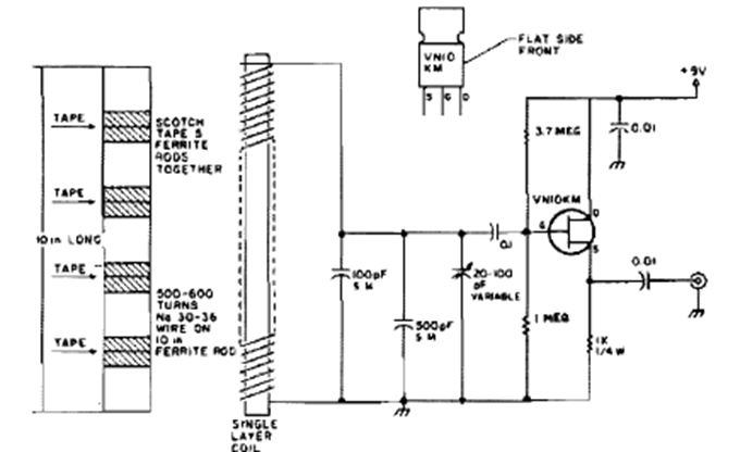
This circuit for the 60 kHz range was found in 73 magazine and published in 1995. The circuit uses a ferrite rod. Note the direction of the coil windings.
This circuit was found in a Popular Electronics from the 90's. The output signal can be applied to a...
A small loudspeaker (2.5 or 5 cm) can be used as a low impedance microphone. A preamplifier and...
This flip-flop circuit with general purpose transistors was found in American documentation from...