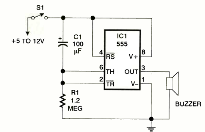
This is the basic configuration to excite a ceramic buzzer with the 555 that will ring at a 2-minute interval. We found it in the Electronics Now magazine of November 1997. The buzzer is of the oscillator type.
This is the basic configuration to excite a ceramic buzzer with the 555 that will ring at a 2-minute interval. We found it in the Electronics Now magazine of November 1997. The buzzer is of the oscillator type.