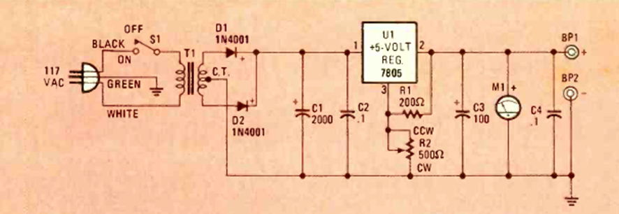
This power supply for TTL and CMOS circuits with a voltage of 5 to 15 V was found in the Special Projects edition of 1983 with a current of 1 A. The integrated circuit must be equipped with a heatsink.
This power supply for TTL and CMOS circuits with a voltage of 5 to 15 V was found in the Special Projects edition of 1983 with a current of 1 A. The integrated circuit must be equipped with a heatsink.