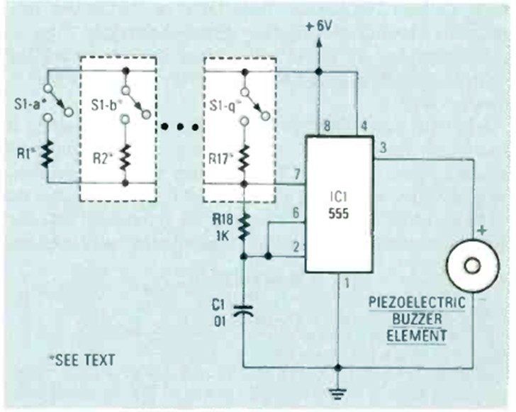
This interesting circuit for SMD assembly appeared in the November 1987 issue of Radio Electronics magazine. The phonons are generated by selected resistors that are fitted to the assembly.
This JFET sensor was found in a 1989 publication. Virtually any FET like the BF245 can be used and the...
This circuit came out in a Popular Electronics from December 1995. It is a double T configuration that...
The integrated circuit used in this application is not currently common and the sensor can be any...