We found this circuit in the March 1999 issue of Electronics Now magazine. The indicator used is an analog type. The values indicated depend on the calibration.
This JFET sensor was found in a 1989 publication. Virtually any FET like the BF245 can be used and the...
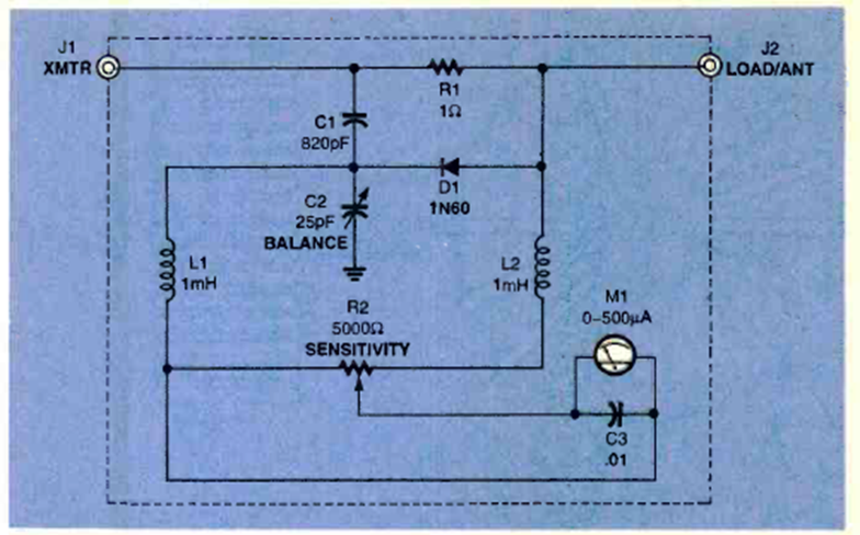
This circuit came out in a Popular Electronics from December 1995. It is a double T configuration that...
The integrated circuit used in this application is not currently common and the sensor can be any...