This circuit is the receiver for the transmitter from the previous project. We also found it in the Radio Electronics Experimenter magazine, 1989 issue.
This JFET sensor was found in a 1989 publication. Virtually any FET like the BF245 can be used and the...
This circuit came out in a Popular Electronics from December 1995. It is a double T configuration that...
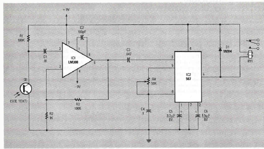
The integrated circuit used in this application is not currently common and the sensor can be any...