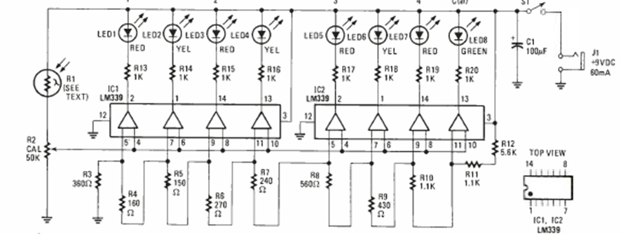
This circuit for photography uses was found in the Electronics Experimenter Handbook Special projects magazine from 1983. The bargraph circuit powers 8 LEDs.
Using a 4018 IC and one gate of the 4081 it is possible to divide the frequency of digital signals by...
This logic gate that increases the duration of input pulses was found in a NASA documentation from 1966....
This traditional TTL configuration was obtained in a 1977 documentation. The supply must be made...