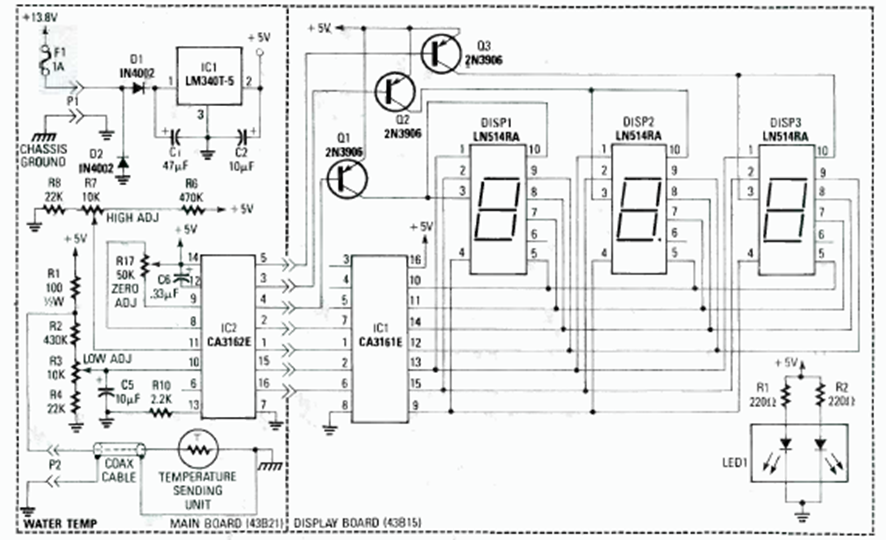
Using a pair of period A/D converters, this 3-digit circuit was found in the 1992 Radio Electronics Experimenter magazine. The sensor is a thermistor.
This project was found in a documentation from 1980. It is a central of sound effects, a simple...
This amplifier for public address was found in English documentation from 1967. The transistors are from...
This circuit was found in an English magazine from 1978, but it is still current, just change the...