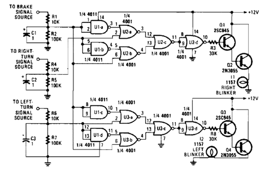
This circuit for cars of the time was found in a Popular Electronics magazine from the 90s. The circuit is based on CMOS logic that is common even today.
This project was found in a documentation from 1980. It is a central of sound effects, a simple...
This amplifier for public address was found in English documentation from 1967. The transistors are from...
This circuit was found in an English magazine from 1978, but it is still current, just change the...