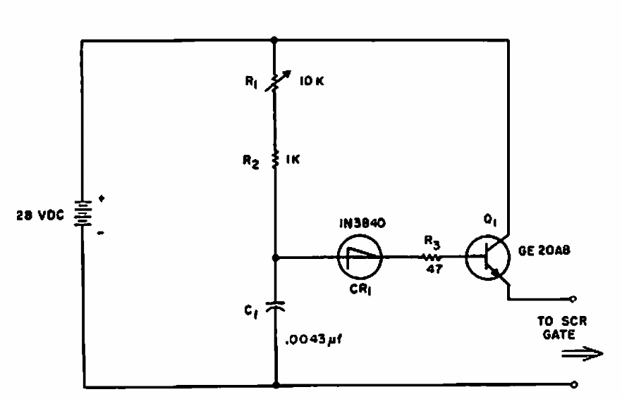
This simple SCR trigger was found in a 1965 General Electric SCR manual. The circuit makes use of a diac, and the transistor supports an equivalent.
This twisted pair exciter circuit uses 80's components. The circuit is from a documentation of the time, but...
This is the single-sourced version of the previous oscillator. Frequency can be changed by...
The circuit in the figure has the same purpose as the previous one (CBV15991E), except that it has a...