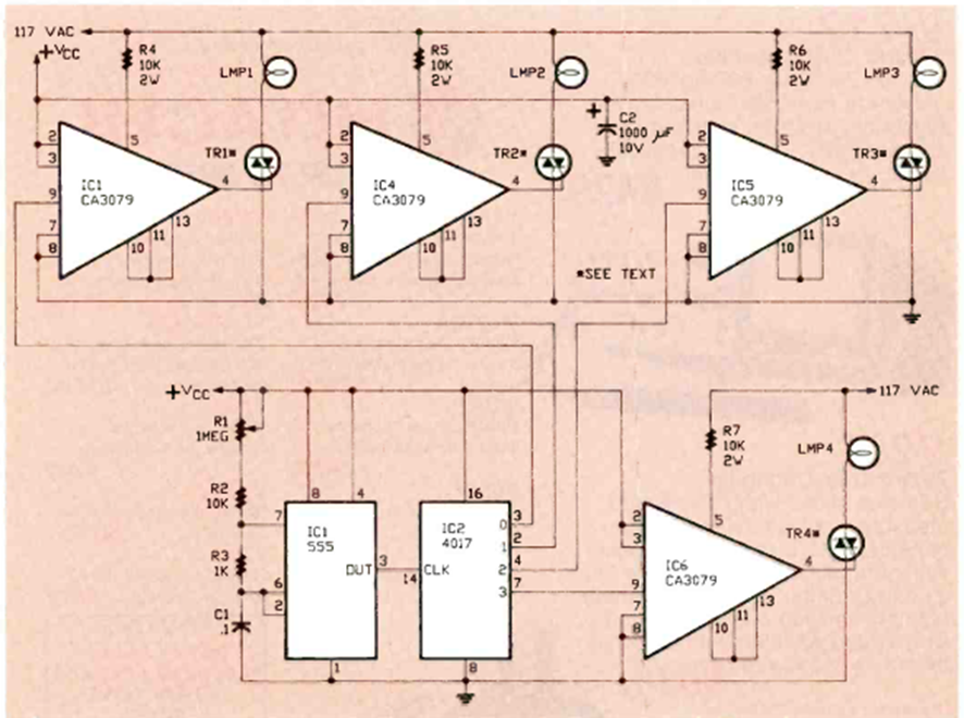
We found this circuit in the February 1987 issue of Radio Electronics magazine. It is based on an integrated RCA triac trigger available at the time. The circuit powers 4 incandescent lamps.
This project was found in a documentation from 1980. It is a central of sound effects, a simple...
This amplifier for public address was found in English documentation from 1967. The transistors are from...
This circuit was found in an English magazine from 1978, but it is still current, just change the...