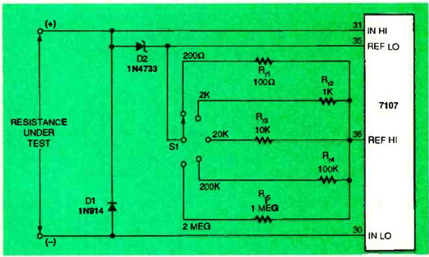
The circuit shown is from the November 1996 Electronics Now magazine. The basic circuit is in the previous 3 sections of this section. The circuit measures resistances up to 2M ohms.
This project was found in a documentation from 1980. It is a central of sound effects, a simple...
This amplifier for public address was found in English documentation from 1967. The transistors are from...
This circuit was found in an English magazine from 1978, but it is still current, just change the...