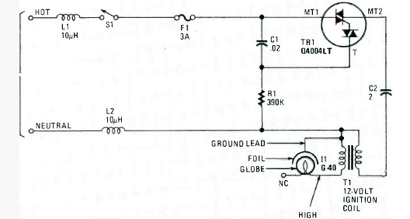
We found this circuit in a Radio Electronics Experimenter from 1990. The circuit uses a common incandescent bulb and a car ignition coil.
We found this circuit in a 1986 documentation. It causes 40 LEDs to flash sequentially. The big...
Found in a National Semiconductor manual from the 90's, this circuit uses components of the time,...
Simple timers can be designed using inverters or any other gate that can be connected as inverter. Figure...