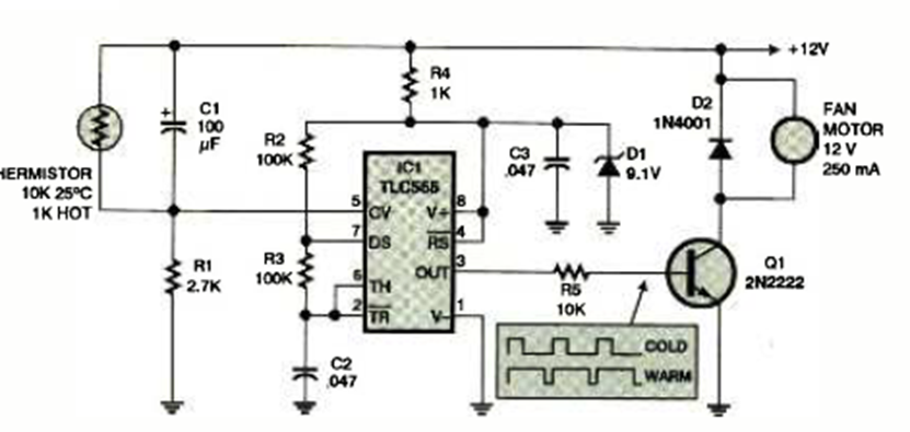
Found in the February 1997 Electronics Now magazine, this circuit controls motors according to the transistor used. For the transistor indicated, the maximum current is 200 mA.
This circuit was found in the December 1992 issue of Radio Electronics magazine. The current is a...
This trigger uses two switching transistors that can still be found with some ease. The circuit is from...
This filter is inserted between the interfering device and the interfering device. The coils are...