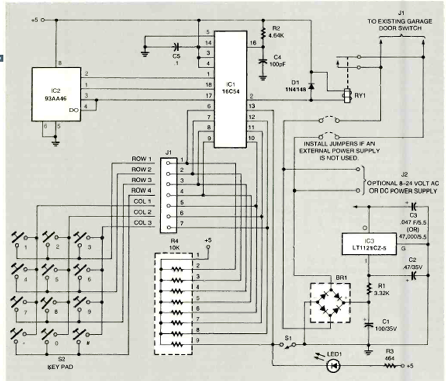
We found this code switch circuit in the January 1999 Electronics Now magazine. Some of the components are integrated circuits from that era.
This circuit is designed to analyze the distortion of an audio signal. We found it in an article in...
The frequency of this unijunction oscillator is determined by the crystal whose maximum frequency is...
January 2017 - Texas Instruments' new TLVx172 operational amplifiers with Rail-to-Rail outputs can now be...