This low frequency oscillator circuit was found in an Electronic Design from the 90s. The transistors are common types, and the frequency is given by the crystal.
This circuit is designed to analyze the distortion of an audio signal. We found it in an article in...
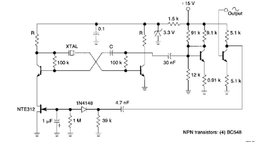
The frequency of this unijunction oscillator is determined by the crystal whose maximum frequency is...
January 2017 - Texas Instruments' new TLVx172 operational amplifiers with Rail-to-Rail outputs can now be...