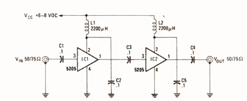
Using the NE5205 integrated circuit this circuit was found in the May 1987 issue of Radio Electronics magazine. It can amplify signals up to 450MHz.
This circuit is designed to analyze the distortion of an audio signal. We found it in an article in...
The frequency of this unijunction oscillator is determined by the crystal whose maximum frequency is...
January 2017 - Texas Instruments' new TLVx172 operational amplifiers with Rail-to-Rail outputs can now be...