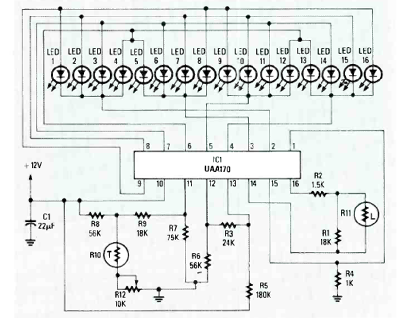
Other versions exist on this site from various publications. This one is from the Radio Electronics Experimenter from 1990. The bargraph circuit uses the UAA170.
This circuit is designed to analyze the distortion of an audio signal. We found it in an article in...
The frequency of this unijunction oscillator is determined by the crystal whose maximum frequency is...
January 2017 - Texas Instruments' new TLVx172 operational amplifiers with Rail-to-Rail outputs can now be...