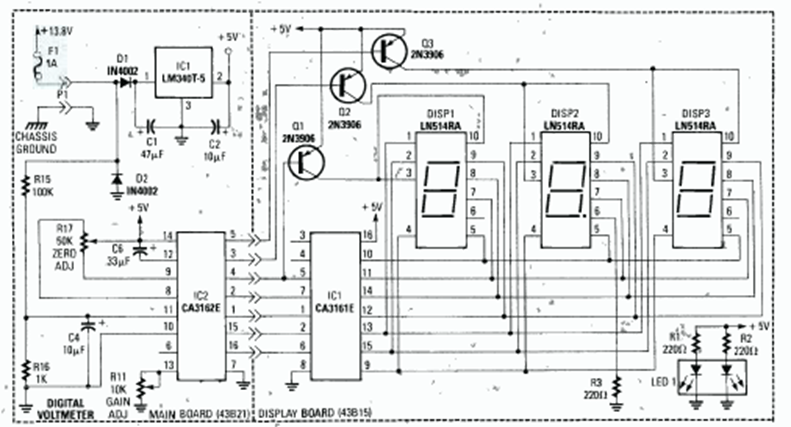
This 3-digit circuit was found in the 1992 special edition of the Radio Electronics Handbook. The circuit produces a standard voltage for bench testing.
This circuit is designed to analyze the distortion of an audio signal. We found it in an article in...
The frequency of this unijunction oscillator is determined by the crystal whose maximum frequency is...
January 2017 - Texas Instruments' new TLVx172 operational amplifiers with Rail-to-Rail outputs can now be...