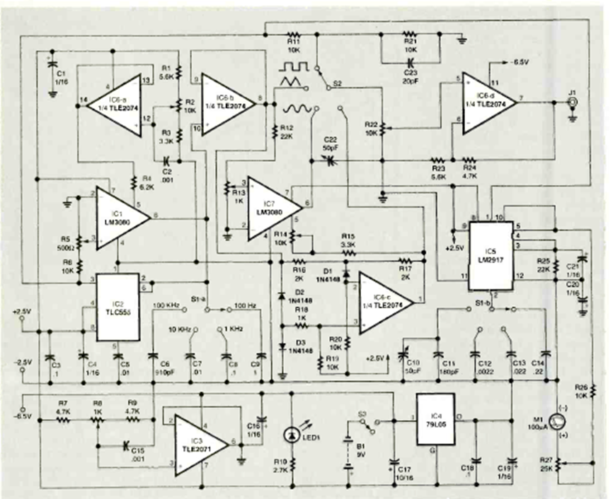
This circuit was found in the August 1997 Electronics Now magazine. The circuit uses well-known operational codes and generates signals up to 20 kHz.
We found this circuit in a 1967 Japanese technical magazine. The transistors are made of germanium at...
Using 4 operational amplifiers this circuit generates 4 different tones. The circuit is from an...
This circuit was found in the National Semiconductor's Linear Applications of 1978. The circuit uses...