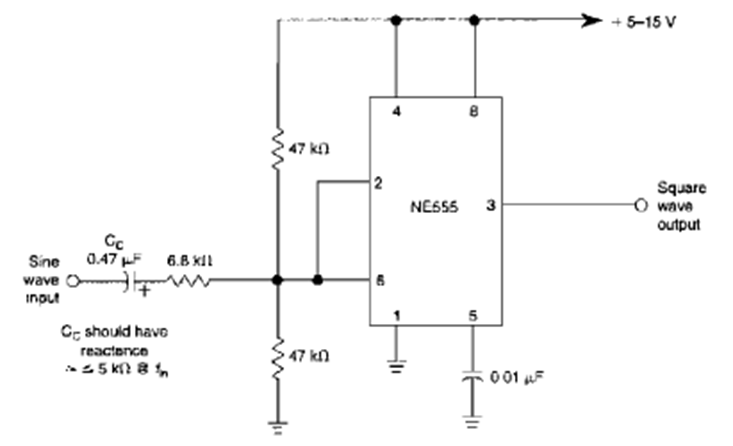
We found this circuit in a William Sheets. The circuit is for frequencies up to about 500 kHz.
An integrated circuit 741 (operational amplifier is the basis of this voltage indicator, which can also...
This circuit converts inductances on two scales into voltages. The circuit was obtained from a...
This field effect transistor amplifier circuit in common gate or common port configuration is from an old...