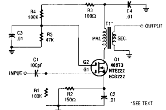
This boost amplifier was found in a Popular Electroniics from the 90s. The circuit operates up to 20 MHz depending on the coils used.
A circuit for controlling the temperature of a heating element was found in a Mullard transistor manual...
This circuit was obtained from an American publication of the 80's. The integrated circuit is of the...
The 4047 is a monostable/astable CMOS multivibrator. The basic con- figuration is triggered by the...