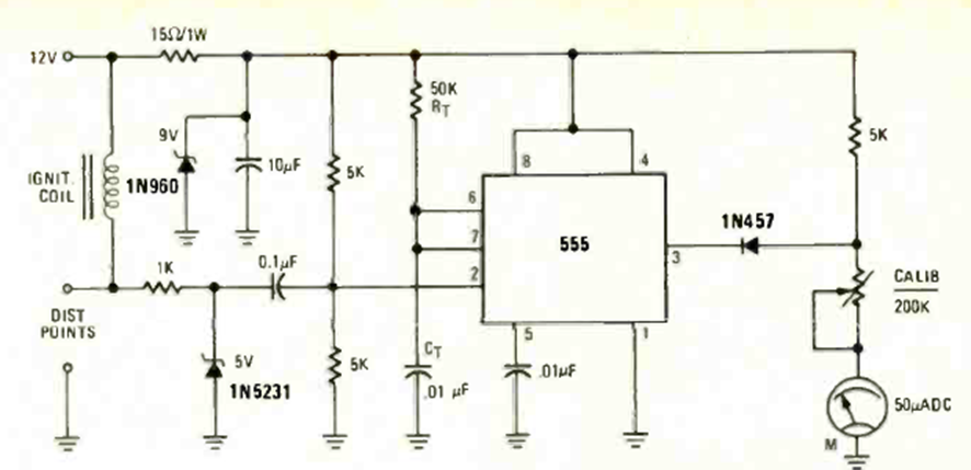
Another of the many tachometer circuits we have on our site. This one is from the September 1976 Radio Elecronics magazine. The circuit is connected to the platinum contacts of a car or to a sensor.
The circuit shown here uses a 4047 to produce three signals whose frequencies are determined by C...
We found this circuit in an old English publication. The resistor not indicated can be 2k2 and the...
This circuit was found in documentation from the 1980s. The integrated circuit used is uncommon today...