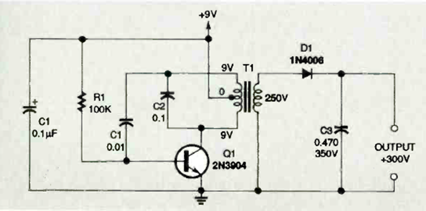
This voltage inverter uses a small transformer. The circuit was found in the April 1995 issue of Electronics Now magazine. The output current is very low.
This light-controlled circuit uses a 6 V or 12 V relay depending on the supply. The transistor can be the...
This circuit was found in an American publication from 1965. The circuit uses components from that...
This powerful inverter provides a high-quality sine wave signal. I found it in a Radio Electronics issue...