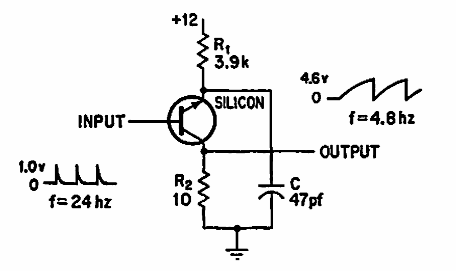
We found this circuit in an American documentation from 1969. The circuit works with the polarized transistor in reverse in the avalanche mode.
This circuit generates very high voltages using an old TV flyback. The transformer has a secondary of...
This fraction watt amplifier uses transistors that are still quite common in our market. The power...
This circuit was obtained in documentation on medical applications from 1966. The circuit is used in...