Found in a 1968 US publication, this circuit can operate on any power grid. The thickness of the wire depends on the load current.
This circuit is from a 1988 publication, but we can assemble it with some component changes. For...
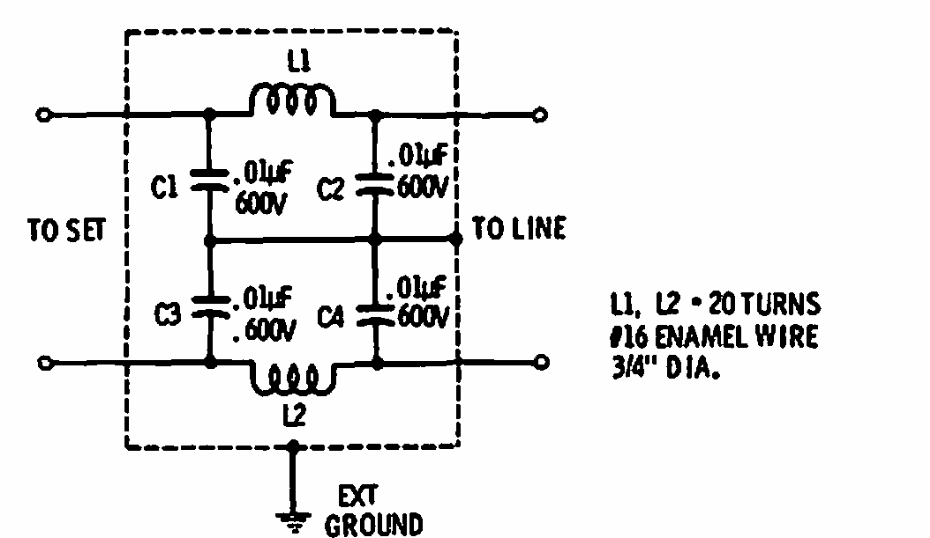
This circuit was found in American documentation from the 1960s. The operational amplifier is from that...
This circuit was obtained in a 90s American documentation. The integrated circuit used is uncommon...