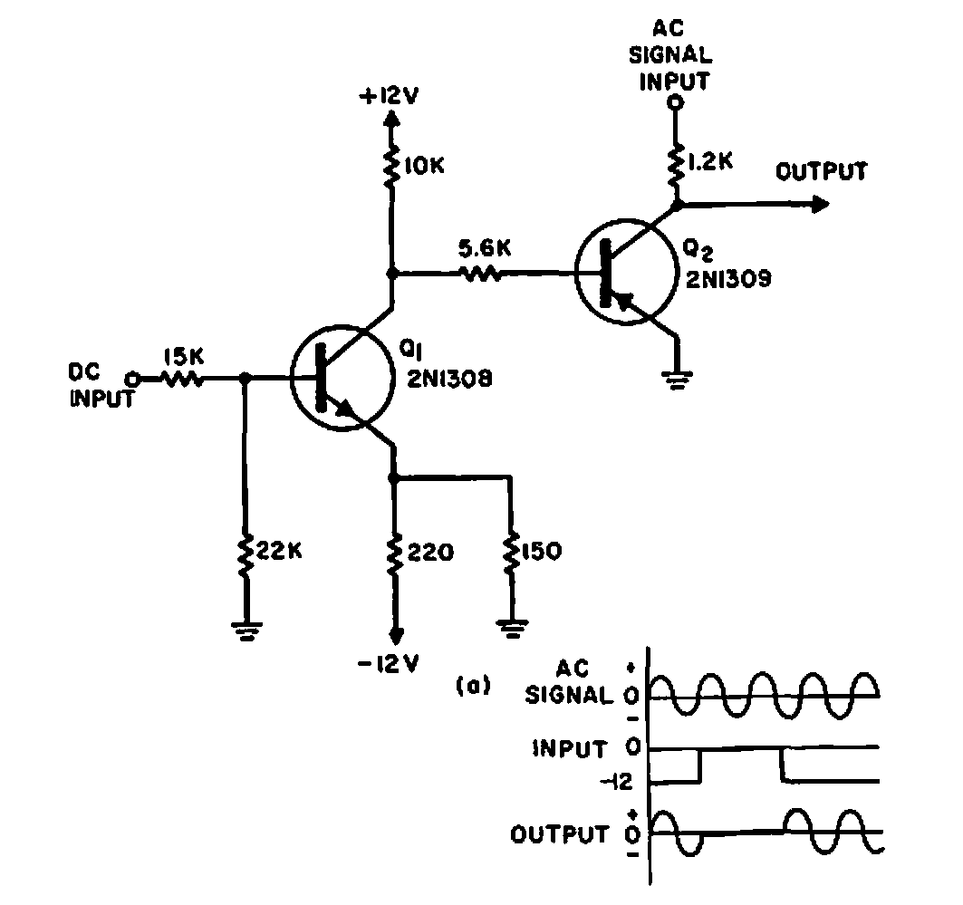
Found in an Electronic Design from 1965, this circuit makes use of transistors of the time. The circuit can be implemented with modern equivalent transistors. Signal shapes are given next to the diagram.
Found in an Electronic Design from 1965, this circuit makes use of transistors of the time. The circuit can be implemented with modern equivalent transistors. Signal shapes are given next to the diagram.