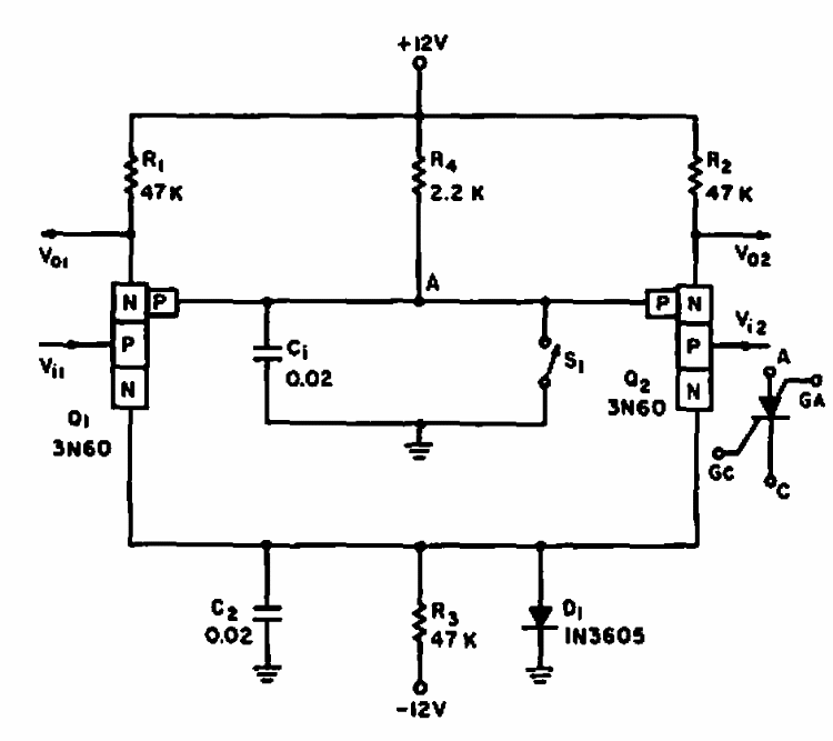
This interesting circuit of an Electronic Design stores the highest voltage of two applied to its inputs. The circuit is from 1964 and can be adapted to use modern components.
Of course, other frequencies can be generated by changing the components. The circuit generates a...
This circuit was found in a 1974 publication. It provides a tone indication of the temperature sensed by...
This spy transmitter can be plugged directly into a power outlet. The power comes from a regulated...