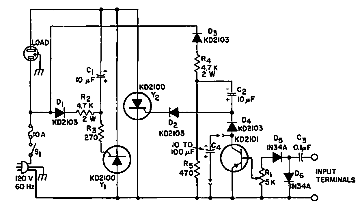
This circuit is from a 1967 RCA documentation. Components can be replaced with modern equivalents. The circuit trips with signals from sensors connected to its input. The circuit needs at least 1 V signals at the input.
This circuit is from a 1967 RCA documentation. Components can be replaced with modern equivalents. The circuit trips with signals from sensors connected to its input. The circuit needs at least 1 V signals at the input.