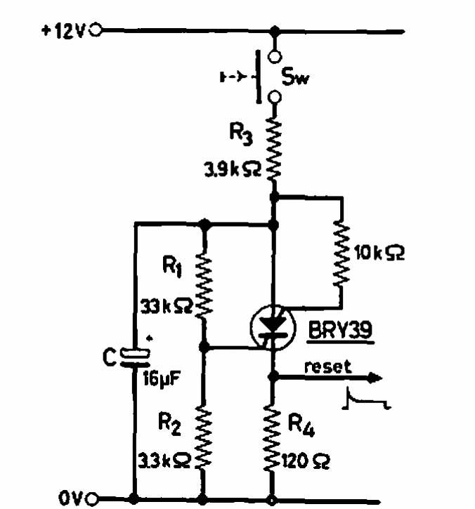
This circuit is from Dutch documentation from 1967. The circuit works with a component of the time, the BRY39, which is uncommon today.
This dimmer for incandescent lamps was obtained from an American 1990s documentation. The circuit...
This circuit can be used in physics experiments, in ionization and in several other applications. The...
This experimental AM radio circuit was found in a 1979 English magazine. It can be fitted with a...