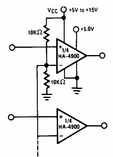
This circuit was suggested by Harris in documentation from the 80's. The circuit makes use of components of the time to interface a CMOS output with TTL inputs.

This circuit was suggested by Harris in documentation from the 80's. The circuit makes use of components of the time to interface a CMOS output with TTL inputs.
