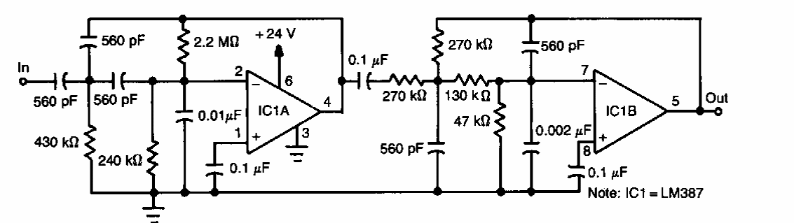
Found on an 80's Radio Electronics, this two-section circuit is designed to pass the frequency range of the human voice.
This circuit was found in a 1967 RCA SCR manual. It uses period components that can be replaced with...
This circuit for the power grid was found in the June 1969 Radio Electronics magazine. The load is...
This fuzz effect is from a 1988 Italian publication, but it can be easily assembled, as the...