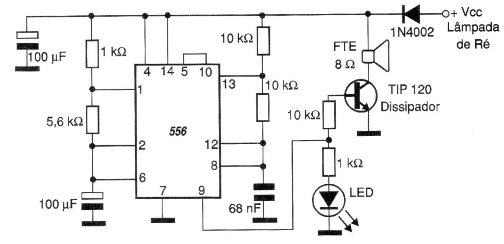
This circuit serves as a reverse warning for the car. When the reverse is activated, the circuit triggers an audible signal that warns whoever is behind the car that the vehicle is going to move backwards. The circuit consists of two oscillators, the first will trigger the following which will trigger and cut the 8 ohms speaker output. The circuit is powered by the 12 V voltage of the reverse light. When the reverse light comes on, the circuit will be powered. A reverse polarity protection diode protects the alarm circuit. Changes in both the activation time of the audible signal and tone can be made in the values of the capacitors and resistors connected to pins 1,2,6 and 13.12 and 8 of the CI-556, which is a double 555. Use a heat sink small on the TIP120. The circuit can be placed in a plastic box and installed in the rear bumper where the reverse lamp is.




