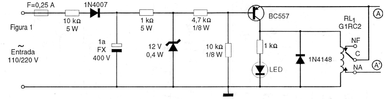
We found this circuit in a 1997 documentation. Its purpose is to fan an inverter for fluorescent lamp when the power goes out. The circuit only activates, not containing the battery charging system and other elements that may be needed in a complete system. The relay is 12 V x 50 mA.




