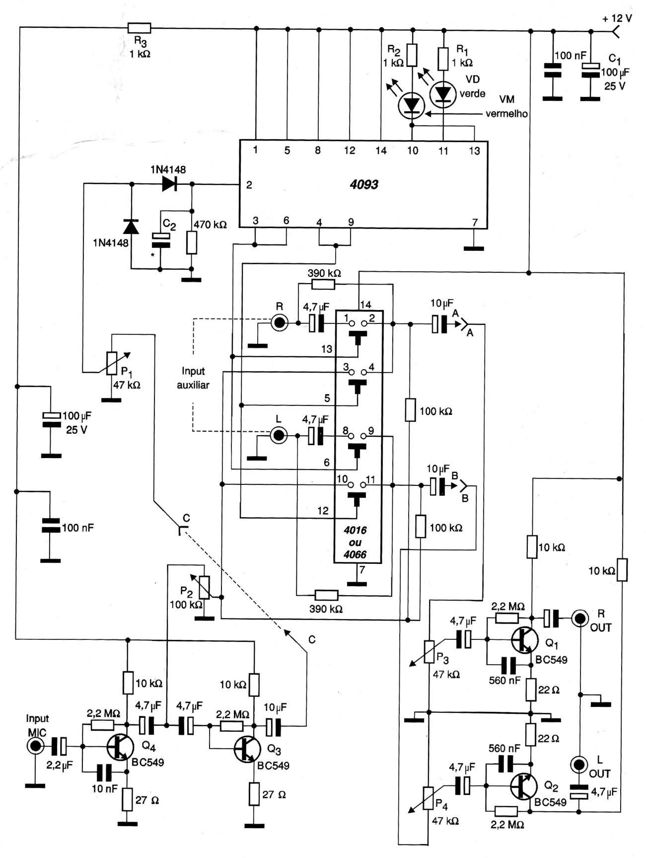
This circuit allows you to superimpose the signal from the microphone to that of the music with maximum volume, obtaining important effects in experimental stations or editing CDs. The circuit is from 2002 and has several controls. The food must come from a source with excellent filtration so that no snoring occurs.




