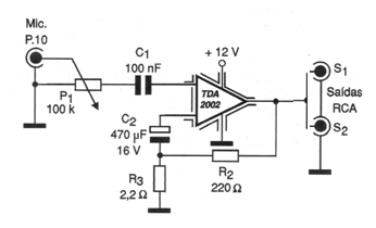
This power amplifier configuration can be used in a public address system (ads) in the car. The integrated circuit provides several watts of power and must have a good heat sink. The circuit is from 2001 documentation. The outputs must have a capacitor of 2 200 uF with the speaker.




