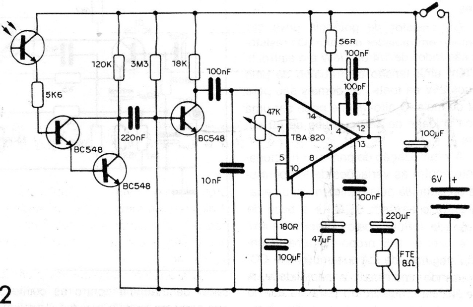
This circuit can receive the signals from CIR10466 or another like this, of the many described on this site. The circuit uses an unusual amplifier today, but it can be modified to operate with a more modern one like the TDA7052. The circuit is powered by 4 batteries, and any phototransistor will do. More sensitivity can be achieved by placing the LED in a tube with a lens.




