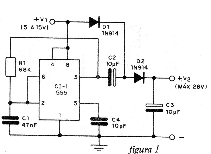
This configuration, which appears in other projects in this section and on the website, shows how to use a 555 to raise the continuous voltage of a circuit. The circuit is for very low currents and the output is approximately twice the input voltage.




