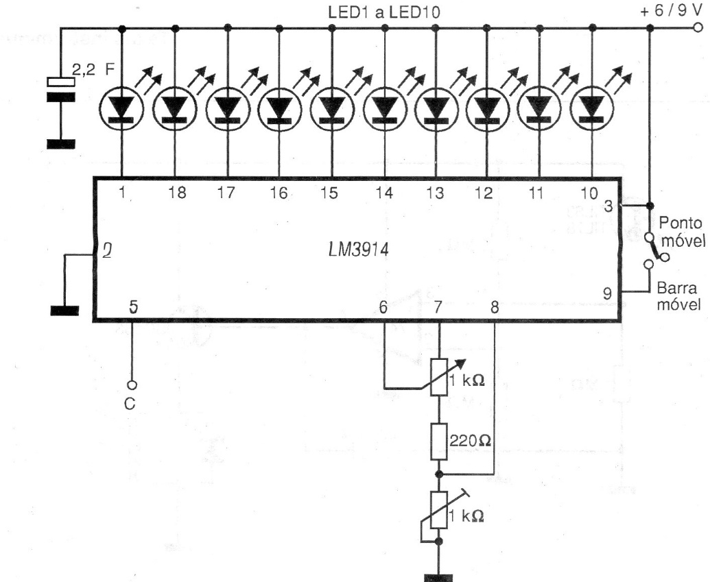
In this circuit we show how to configure the LM3914 as a bargraph or moving point, supplying 10 LEDs. The circuit has two settings for the input voltages and can be powered by voltages from 6 to 9 V. Several articles on this website are based on this application.




