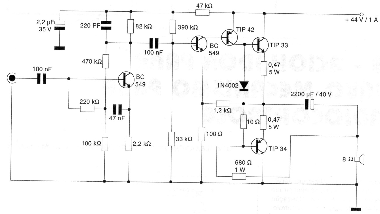
This traditional complementary symmetry circuit provides 20 W of rms power at a load of 8 ohms when powered by a 44 V x 1 A source. The output transistors must be mounted on good heat radiators and the 1N4002 diode should preferably be mounted on contact with the heatsink of one of the transistors.




