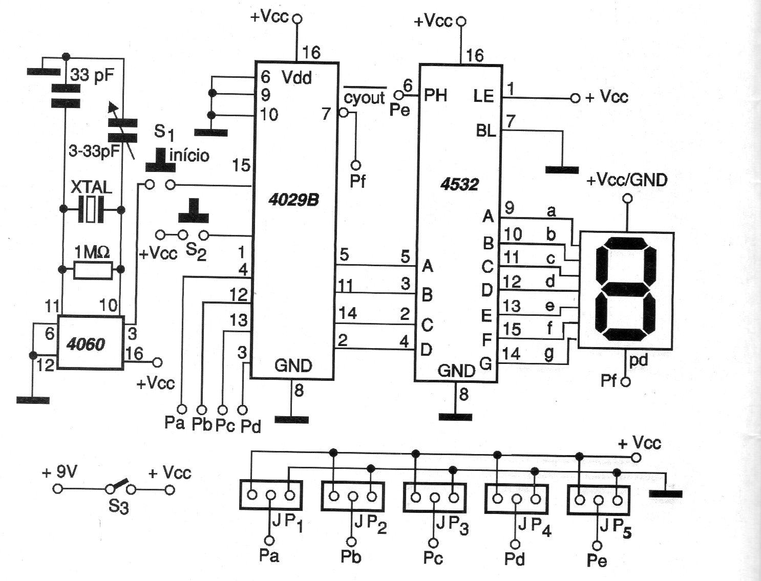
We found this circuit in a 2002 documentation. This die shows numbers 1 to 6 on a common anode display when the switches S1 and S2 are pressed. The circuit can be powered by voltages from 5 to 12 V.
This car turn signal circuit was found in the April 1969 issue of Radio Electronics magazine. The...
We found this circuit in a documentation about SCRs from the 70s. The circuit can be implemented with a...
This circuit was found in a 1998 documentation and its purpose is to automate controls by timing its...